Trong các hệ thống thông gió công nghiệp quy mô lớn, khi những mẫu quạt ly tâm nhỏ không còn đáp ứng đủ lưu lượng và áp suất, quạt ly tâm 3kW chính là sự lựa chọn thay thế hoàn hảo. Đây là dòng quạt thuộc phân khúc trung bình lớn, được NP Việt Nam thiết kế để phục vụ các mục tiêu xử lý khí thải và bụi bẩn nặng nề hơn.
1. Thông tin về quạt ly tâm nhỏ A3-48
1.1. Quạt ly tâm nhỏ A3-48 là gì?
Quạt ly tâm nhỏ A3 - 48 là một dòng quạt công nghiệp truyền động trực tiếp có thiết kế đặc thù với hệ thống cánh quạt dạng đa lá (multi-blade). Đây là thiết bị chuyên dụng được cấu tạo với vỏ hình ốc sên, trong đó cánh quạt bao gồm rất nhiều lá cánh nhỏ xếp sát nhau và uốn cong về phía trước, giúp tối ưu hóa khả năng luân chuyển không khí và giảm thiểu tối đa tiếng ồn khi vận hành.

Hình ảnh: quạt ly tâm nhỏ A3-48
Tại NP Việt Nam, dòng quạt ly tâm nhỏ này được xem là giải pháp thông gió quốc dân cho các không gian vừa và nhỏ, nơi yêu cầu khắt khe về sự yên tĩnh như bếp ăn gia đình, nhà hàng, văn phòng hoặc các phòng thí nghiệm. Với công suất linh hoạt và kích thước nhỏ gọn, quạt ly tâm nhỏ A3 - 48 thực hiện nhiệm vụ hút khói mùi, cấp khí tươi hoặc tản nhiệt máy móc một cách hiệu quả thông qua việc tạo ra một lưu lượng gió ổn định và áp suất tĩnh cao để đẩy dòng khí đi qua hệ thống ống dẫn.
1.2. Quạt ly tâm 3kW
Trong cơ cấu sản phẩm của NP Việt Nam, dòng quạt ly tâm 3kW có thể được hiểu là một phân khúc mở rộng về sức mạnh nằm trong hệ sinh thái thiết kế của dòng quạt ly tâm nhỏ A3 - 48. Thực tế, quạt ly tâm 3kW chính là sự nâng cấp vượt trội về quy mô và công suất dựa trên nền tảng kỹ thuật cánh đa lá đặc thù của dòng quạt ly tâm nhỏ A3 - 48, nhằm phục vụ những hệ thống thông gió có quy mô lớn hơn và yêu cầu kỹ thuật khắt khe hơn.
Có thể coi quạt ly tâm 3kW chính là một phần quan trọng trong dòng sản phẩm quạt ly tâm nhỏ A3 - 48, giúp hoàn thiện hệ thống từ nhu cầu hút mùi cục bộ đến những hệ thống thông gió tổng thể có trở lực đường ống cực lớn. Việc sở hữu một chiếc quạt ly tâm 3kW mang cấu trúc đa lá của dòng A3 - 48 giúp người dùng vừa có được áp suất mạnh mẽ của công suất lớn, vừa thừa hưởng được đặc tính vận hành êm ái vốn đã làm nên thương hiệu cho dòng quạt nhỏ này.
2. Cấu tạo, đặc điểm của quạt ly tâm nhỏ
2.1. Cấu tạo quạt ly tâm nhỏ, quạt ly tâm 3kW
Dòng quạt ly tâm nhỏ A3-48 được biết đến là dòng quạt cánh đa lá (Multi-blade) có cấu tạo tinh xảo, hướng tới sự êm ái và hiệu suất ổn định.
Về cấu tạo chung, dòng quạt ly tâm nhỏ A3-48 nói chung và quạt ly tâm 3kW nói riêng đều bao gồm các thành phần chính sau:
-
Hệ thống cánh quạt: Đây là điểm nhận dạng cốt lõi. Cánh quạt ly tâm nhỏ A3-48 bao gồm rất nhiều lá cánh nhỏ, mỏng, được xếp san sát nhau và uốn cong về phía trước. Thiết kế này giúp chia nhỏ luồng khí, giúp quạt vận hành mượt mà và giảm thiểu tiếng ồn khí động học so với các dòng cánh ít lá thông thường.
-
Vỏ quạt: Được chế tạo từ thép tấm cao cấp hoặc inox, tạo hình vỏ sên giúp điều hướng luồng gió hiệu quả. Toàn bộ vỏ được NP Việt Nam xử lý sơn tĩnh điện để chống gỉ sét và tăng tính thẩm mỹ.
-
Động cơ truyền trực tiếp: Cánh quạt ly tâm nhỏ được lắp thẳng vào trục motor. Cách thiết kế này giúp tối giản kích thước, phù hợp để lắp đặt trong các không gian hạn chế và giảm thiểu thất thoát năng lượng.
2.2. Đặc điểm của quạt ly tâm nhỏ, quạt ly tâm 3kW
Đặc điểm nổi bật của dòng quạt ly tâm nhỏ A3-48 là khả năng tạo ra lưu lượng gió lớn trong khi vẫn duy trì độ ồn ở mức cực thấp. Đây là lý do khiến dòng quạt ly tâm nhỏ này trở thành lựa chọn ưu tiên cho các khu vực cần sự yên tĩnh như văn phòng, khách sạn hay bếp ăn gia đình.
Điểm riêng biệt của dòng quạt ly tâm 3kw là khi nâng cấp lên mức công suất 3kW, dòng quạt ly tâm nhỏ này không chỉ đơn thuần là tăng về sức mạnh mà còn có những thay đổi đặc thù về cấu trúc để thích nghi với môi trường công nghiệp nặng.
-
Khả năng chịu áp vượt trội: Quạt ly tâm 3 kW sở hữu cột áp tĩnh rất cao. Nếu các dòng quạt ly tâm nhỏ chỉ mạnh về lưu lượng, thì model 3kW được thiết kế để vượt qua các trở lực lớn từ hệ thống đường ống dài, các bộ lọc bụi dày đặc hoặc các tháp hấp phụ hóa chất.
-
Gia cố kết cấu cơ khí: Để chịu được lực ly tâm cực lớn khi vận hành ở mức 3 kW, phần vỏ sên và chân bệ của quạt ly tâm nhỏ được NP Việt Nam làm từ thép tấm dày hơn, chống rung lắc và biến dạng. Hệ thống cánh đa lá của quạt ly tâm 3 kW cũng được chế tạo từ vật liệu chịu lực cao và cân bằng động tỉ mỉ hơn để đảm bảo an toàn khi chạy ở tốc độ cao.
-
Tính ứng dụng chuyên sâu: Khác với các dòng nhỏ dùng cho nhu cầu dân dụng, quạt ly tâm 3 kW được dùng làm trung tâm của các hệ thống hút khói bếp công nghiệp quy mô lớn, hút bụi gỗ, hoặc thông gió cho các xưởng sản xuất có diện tích rộng. Đây là sự kết hợp hoàn hảo giữa thiết kế chạy êm của dòng quạt ly tâm nhỏ A3-48 và sức mạnh đẩy gió của một chiếc quạt công nghiệp hạng nặng.
3. Thông số kỹ thuật của dòng quạt ly tâm nhỏ A3-48

4. Lắp đặt quạt ly tâm nhỏ A3-48
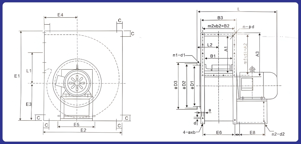
Bản vẽ kỹ thuật của quạt ly tâm nhỏ A3-48

Quá trình lắp đặt quạt ly tâm nhỏ A3-48 cần tuân thủ các thông số kích thước trên bản vẽ để máy vận hành êm ái, đặc biệt là khi so sánh với các hệ thống lớn hơn thì quạt ly tâm 3kW giá thường cao hơn và đòi hỏi bệ đỡ phức tạp hơn, nhưng với dòng quạt ly tâm nhỏ A3-48, bạn có thể linh hoạt lắp đặt theo các bước sau:
B1. Xác định vị trí và lắp đặt bệ đỡ: Dựa vào các ký hiệu E2 (chiều rộng cơ sở) và E5 (khoảng cách tâm lỗ chân đế) trên bản vẽ, bạn cần chuẩn bị một mặt phẳng lắp đặt chắc chắn.
-
Kiểm tra kích thước n2-d2 để chọn loại bu lông nở phù hợp nhằm cố định chân đế motor vào sàn hoặc giá treo.
-
Nên lót thêm cao su chống rung tại các điểm tiếp xúc chân đế để triệt tiêu tiếng ồn, vì dòng quạt ly tâm nhỏ A3-48 vốn nổi tiếng với khả năng chạy cực êm.
B2. Kết nối miệng hút và miệng thổi: Bản vẽ kỹ thuật thể hiện rõ đường kính miệng hút (D1, D2, D3) và kích thước miệng thổi (A1, B1).
-
Miệng hút: Kết nối ống dẫn vào mặt bích có đường kính D2, đảm bảo sử dụng gioăng đệm để tránh rò rỉ áp suất.
-
Miệng thổi: Lắp đặt theo hướng thổi thoát gió (thường là góc 0°, 90° hoặc 180°). Việc lắp đặt chính xác miệng thổi giúp tối ưu hóa luồng khí, tránh gây quá tải cho motor như trường hợp lắp sai ở các dòng quạt ly tâm 3kW giá rẻ trên thị trường.
B3. Kiểm tra động cơ và đấu nối điện: Quạt ly tâm nhỏ A3-48 sử dụng động cơ truyền động trực tiếp, giúp tối giản không gian lắp đặt (thể hiện qua kích thước tổng thể L và A3 trên bản vẽ).
-
Đấu nối nguồn điện (220V hoặc 380V) theo đúng sơ đồ trên nhãn motor.
-
Sau khi đấu điện, hãy thử quay cánh quạt bằng tay để đảm bảo không bị cọ sát vào vỏ sên trước khi bật công tắc vận hành chính thức.
Kết luận
Việc nắm vững bản vẽ kỹ thuật giúp bạn chủ động trong khâu lắp đặt, từ đó tiết kiệm chi phí thuê nhân công và kéo dài tuổi thọ thiết bị. Tùy vào quy mô nhà xưởng, nếu dòng quạt ly tâm nhỏ A3-48 không đủ đáp ứng, khách hàng thường chuyển sang tìm hiểu quạt ly tâm 3kW giá ưu đãi tại NP Việt Nam để có cột áp mạnh mẽ hơn cho các đường ống dài.
5. Quạt ly tâm 3kW giá tốt
Rất nhiều khách hàng thắc mắc tại sao cùng một mức công suất nhưng quạt ly tâm 3kw giá lại có sự chênh lệch đáng kể giữa các đơn vị cung cấp. Tại NP Việt Nam, mức giá được cấu thành dựa trên chất lượng vật liệu và loại động cơ sử dụng. Một chiếc quạt làm từ thép dày sơn tĩnh điện hoặc inox 304 sẽ có giá cao hơn các dòng phổ thông nhưng bù lại là khả năng chống ăn mòn tuyệt vời.
Ngoài ra, loại motor cũng quyết định rất lớn đến việc quạt ly tâm 3kw giá cao hay thấp. Các dòng sử dụng motor nhập khẩu tiêu chuẩn IE2, IE3 tiết kiệm điện sẽ là khoản đầu tư thông minh về lâu dài. NP Việt Nam luôn cam kết cung cấp các mẫu quạt ly tâm 3kw giá cạnh tranh đi kèm với chế độ bảo hành vàng, giúp doanh nghiệp yên tâm sản xuất mà không lo ngại về chi phí sửa chữa.
6. Ứng dụng quạt ly tâm nhỏ A3-48
Dòng quạt ly tâm nhỏ A3-48 của NP Việt Nam là giải pháp thông gió đa năng, được thiết kế với cánh đa lá giúp vận hành êm ái và đạt hiệu suất cao trong nhiều không gian khác nhau. Dưới đây là các ứng dụng chi tiết của dòng sản phẩm này:
* Trong lĩnh vực ẩm thực và dịch vụ
Với đặc tính độ ồn cực thấp, quạt ly tâm nhỏ A3-48 rất được ưu chuộng trong môi trường cần sự yên tĩnh:
-
Hút mùi bếp nhà hàng, gia đình: Loại bỏ khói và mùi dầu mỡ tại các bếp ăn nhỏ, quán ăn nhanh hoặc khu vực chế biến thực phẩm.
-
Hệ thống bếp nướng tại bàn: Được lắp đặt để hút khí thải trực tiếp từ bếp nướng mà không gây tiếng ồn khó chịu cho thực khách.
* Trong văn phòng và tòa nhà
Thiết kế cánh đa lá giúp dòng quạt ly tâm nhỏ này xử lý lưu lượng gió lớn một cách mượt mà:
-
Thông gió văn phòng và phòng hội nghị: Cấp khí tươi hoặc hút khí thải tại các không gian kín, nơi yêu cầu khắt khe về sự yên tĩnh để làm việc.
-
Thông gió tầng hầm và phòng kỹ thuật: Hút không khí nóng và ẩm mốc tại các khu vực hộp kỹ thuật hoặc trần giả nhờ kích thước nhỏ gọn.
* Trong sản xuất công nghiệp nhẹ
Dòng quạt ly tâm nhỏ A3-48 giúp duy trì môi trường làm việc sạch sẽ và an toàn:
-
Hút khói máy laser, CNC: Loại bỏ khói bụi độc hại phát sinh trong quá trình cắt khắc vật liệu tại các xưởng nhỏ.
-
Hút hơi nóng và khói hàn: Giải nhiệt cho máy móc phát sinh nhiệt lớn hoặc hút khói tại các bàn hàn linh kiện điện tử, xưởng cơ khí.
-
Xử lý bụi mịn: Thu gom bụi tại các xưởng may, xưởng mộc mini hoặc phòng thí nghiệm.
* Ứng dụng tích hợp thiết bị
-
Làm mát tủ điện: Tản nhiệt cho các linh kiện trong tủ điện điều khiển công suất lớn.
-
Hệ thống điều hòa trung tâm: Dùng làm quạt tăng áp hoặc quạt hút hỗ trợ trong các đường ống dẫn điều hòa âm trần.
Đối với các hệ thống có quy mô lớn hơn hoặc đường ống dẫn khí dài phức tạp, người dùng thường nâng cấp lên phiên bản quạt ly tâm 3kw trong cùng dòng quạt ly tâm nhỏ A3-48 để đảm bảo cột áp mạnh mẽ hơn. Hiện nay, mức quạt ly tâm 3kw giá tại NP Việt Nam được đánh giá là cạnh tranh, mang lại giá trị đầu tư bền bỉ cho doanh nghiệp.
Kết luận:
Quạt ly tâm nhỏ A3-48 là giải pháp thông gió và hút mùi tối ưu cho các không gian vừa và nhỏ nhờ thiết kế cánh đa lá đặc thù giúp vận hành cực kỳ êm ái. Với dải công suất linh hoạt từ các dòng quạt ly tâm nhỏ đến các phiên bản mạnh mẽ như quạt ly tâm 3kW, sản phẩm đảm bảo lưu lượng gió lớn và khả năng chịu áp tốt cho nhiều hệ thống đường ống khác nhau. Đây là lựa chọn bền bỉ, tiết kiệm điện năng và mang lại giá trị đầu tư cao cho cả nhu cầu dân dụng lẫn sản xuất công nghiệp tại NP Việt Nam.
7. Mua quạt ly tâm công suất nhỏ chính hãng tại NP - VIETNAM
Khi lựa chọn quạt ly tâm nhỏ A3-48 và các dòng quạt công nghiệp khác tại NP – VIETNAM, khách hàng không chỉ nhận được sản phẩm chất lượng cao mà còn được hỗ trợ tư vấn giải pháp thông gió tối ưu theo nhu cầu thực tế. NP – VIETNAM là doanh nghiệp chuyên sâu trong lĩnh vực quạt công nghiệp, thông gió và làm mát nhà xưởng với kinh nghiệm thực chiến và đội ngũ kỹ thuật giàu chuyên môn.
Vì sao nên mua quạt ly tâm nhỏ tại NP – Việt Nam?
-
Chất lượng sản phẩm đảm bảo: Các sản phẩm quạt ly tâm, quạt hướng trục, quạt hút… đều là hàng chính hãng, kiểm tra nghiêm ngặt trước khi giao đến khách hàng.
-
Tư vấn kỹ thuật chuyên sâu: Đội ngũ kỹ thuật tại NP sẵn sàng hỗ trợ lựa chọn công suất, loại quạt và thiết kế hệ thống phù hợp với không gian nhà xưởng, bếp công nghiệp hay khu dịch vụ.
-
Hiệu quả vận hành cao: Quạt ly tâm thương hiệu Nako vận hành ổn định, ít ồn, tiết kiệm điện và phù hợp cho hệ thống hút khói, hút bụi, điều hòa không khí và xử lý khí thải.
-
Hậu mãi tận tâm: Chính sách bảo hành rõ ràng cùng hỗ trợ kỹ thuật sau bán hàng giúp khách hàng yên tâm trong suốt quá trình sử dụng.
Lợi ích khi mua hàng tại NP – Việt Nam
-
Giải pháp trọn gói từ tư vấn → cung cấp → lắp đặt → bảo trì
-
Sản phẩm có thông số kỹ thuật mình bạch, 100% hàng nhập khẩu chính hãng
-
Dịch vụ giao hàng nhanh trên toàn quốc
-
Đội ngũ kỹ thuật viên giàu kinh nghiệp ( hơn 12 năm )
-
Bảo hành lên đến 12 tháng
Quý khách hàng muốn được tư vấn và hỗ trợ về các dòng quạt ly tâm nhỏ A3-48 như quạt ly tâm 3kW hãy liên lạc ngay với chúng tôi qua số điện thoại hotline: 093.111.0636 - 0982.295.948
-
Văn phòng tại Hà Nội: L7-50 Khu đô thị Athena Fulland, Đường Nguyễn Xiển, Phường Định Công, Thành phố Hà Nội, Việt Nam
-
Xưởng Miền Bắc: Thôn Tiền Phong, Xã Đình Chu, Huyện Lập Thạch, Tình Vĩnh Phúc
-
Xưởng Miền Bắc: M18, Cụm Công Nghiệp làng nghề Minh Phương, Xã Nguyệt Đức, Tỉnh Phú Thọ, Việt Nam
-
Xưởng Miền Nam: Ấp Tân Hội, xã Đức Lập Thượng, huyện Đức Hòa, tỉnh Long An
E-mail: npme.jsc@gmail.com – Website: https://quathutcongnghiepvina.com
Tel/Mobile: 024.8587.6178 Fax: 0243.200.6636




.png)


